Renesas Electronics
top
Compiler
OUTPUT FILES
S-Type and HEX File Formats
S-Type File Format
3.4.1
S-Type File Format
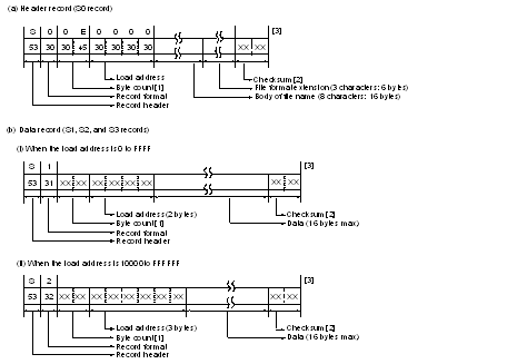
Figure 3.1
S-Type File Format
Figure 3.2
S-Type File Format (cont)
Previous Topic
S-Type and HEX File Formats
Next Topic
HEX File Format
Table of Contents
S-Type File Format
HEX File Format