ルネサス
top
出力ファイル
モトローラS形式、インテルHEX形式ファイル
モトローラS形式ファイル
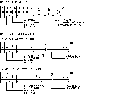
3.4.1 モトローラS形式ファイル
前のトピックスへ
モトローラS形式、インテルHEX形式ファイル
次のトピックスへ
インテルHEX形式ファイル
目次
モトローラS形式ファイル
インテルHEX形式ファイル